- 產品
- 新聞
作者: 昂洋-張功能發表時間:2020-07-31 13:41:13瀏覽量:5274【小中大】
如果能清晰看出貼片電阻體上的數字標識,判斷電阻值和功率值當然不存在問題。如果損壞電阻本身無標注,或已燒毀得面目全非,看不清標注,那么代換前的電阻值判斷就要費一點周折了,而且也必須做到心中有數,才能做出下一步的修復。有哪些方法可以作出較為準確的判斷呢?
方法一:參考本機型的相同電路中相對應元件的電阻值。變頻器電路中的相同電路很多,如6路IGBT驅動脈沖傳輸通道,其中6個支路是完全一樣的,從MCU脈沖信號輸出引腳,至緩沖電路、至驅動IC,至IGBT的柵、射極電路。任何其中1路或數個支路中的電阻或其它元件損壞,可能參考未損壞支路中貼片元件的參數值,如無標識,可在電路板上測量確定或將元件焊脫電路板進行測定。3相輸出電流(模擬信號)的傳輸通道,3個信號檢測電路也是一般也是完全相同的,一路有損壞時,可能未損壞兩路中的元件參數,確定損壞元件的參數值。
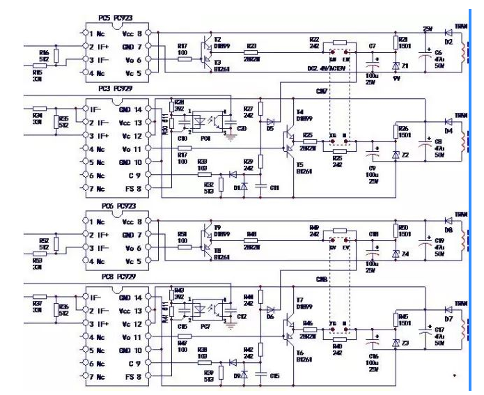
如下圖所示,PC5與PC6兩路驅動IC的外圍電路的元件參數完全相同;PC3與PC8兩路驅動IC的外圍元件參數完全相同,R17=R51、R23=R48、R22=R49……,當PC3外圍有元件損壞壞,可以“照搬”PC5相對應外圍元件的參數值進行修復。
同理,對晶體管、二極管、IC芯片等其它元件的損壞,當無法確定損壞元件參數時,可以參照同類型電路元件的參數值進行代換修復。
方法二:據電路類型確定元件參數。如MCU(微控制器)引腳上連接的上拉、下拉電阻損壞,MCU需外接上拉、下拉電阻的數字端口,一般內部為開漏結構,應用上拉或下拉電阻,可以避免I/O口存在電平漂移狀態,維持一個靜態的穩定電平。
其電阻選值一般為10kΩ、6.8kΩ、5.1kΩ、4.7kΩ、3.3kΩ等,取值過小耗電增大,取值過大,則引發電平漂移或易引入干擾。只要確定損壞貼片電阻為MCU引腳的上位、下接電阻,則可以直接確定該損壞元件的阻值也在3.3~10kΩ的范圍之內。當然也可以參考其它上位、下拉電阻的電阻值。

參考相同電路中元件參數示意圖

MCU引腳的上拉電阻的電路示意圖
U2的脈沖引腳的上拉電阻為5.1k,在3.3~10kΩ的范圍之內。
方法三:參考同類機型確定元件參數值。沒有相同電路可能參考,也不能像上拉、下拉電阻一樣可以大致“估算”出元件的參數,找到同類機型進行比對測量,也能確定損壞元件的參數值。
方法四:調整試驗得出元件的參數值。若無同類機型進行參考,需要費點力氣測繪出該部分電路,搞明白損壞電阻在電路中的位置和具體作用,與其它元件的連接方法,“估算”出大致的電阻值,若仍無把握,將損壞電阻,暫時接入電位器,變頻器上電,調整電位器進行試驗,配合人工信號給定、后續電路對信號作出的反應、面板顯示等,測出電位器的電阻值,進而確定損壞電阻的參數。
深圳市昂洋科技是擁有十多年的批發代理、生產、銷售電容器,電感器,電阻器等產品的綜合供應商;主要經營的產品有貼片電容,合金電阻,貼片電阻,二三極管,功率電感,高頻電感,磁珠類市面主流的電子元器件,合作的品牌有村田、三星、國巨、TDK、風華等國際大型知名品牌,廠家直接進貨,提供技術支持,對產品品質嚴格把控,歡迎您咨詢與合作。